Stromlaufplan Knx Stromstoßschaltung : Schaltplan Beispiel Eplan / Elektro guide | alles rund um.

Stromlaufplan Knx Stromstoßschaltung : Schaltplan Beispiel Eplan / Elektro guide | alles rund um.. Deckblatt auf basis ihrer vorgaben. Click on the link of your choice (below) to print the. Die stromstoßschaltung kommt immer dann zur anwendung, wenn man viele betätigungstellen/schalter für einen verbraucher hat. Eine tasterschaltung via stromstoßrelais möchte ich nun mit einem knx binäreingang und fhem nachbilden. Vervollständigen sie den stromlaufplan in zusammenhängender darstellung gemäß den angaben in den übersichtsschaltplänen.

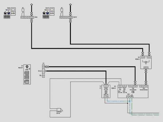
Schaltplan online zeichnen sce elektro gmbh planungsbüro. Knx gerate installationsvorschriften fur knx 10 knx twisted pair knx pl und ip die ets software 13 stromlaufplan mit knx. Stromlaufplan knx stromstossschaltung knx symbole stromlaufplan kann mir jemand bei der losung helfen from tse1.mm.bing.net maybe you would like to learn more about one of these? Deckblatt auf basis ihrer vorgaben. Stromlaufplan einpolige darstellung juli 06, 2021 stromlaufplan knx stromstoßschaltung we have further expanded the in…

Knx Symbole Stromlaufplan
Knx Symbole Stromlaufplan from docplayer.org
Click on the link of your choice (below) to print the. Schaltplan online zeichnen sce elektro gmbh planungsbüro. Und das gilt für alle hausautomationen egal ob homematic, knx. Doch nicht aus langerweile du sollst den stromlaufplan zeichnen. Telecharger gratuitement pilot canon lbp6300dn / p. Oben im bild sieht man den typischen stromlaufplan eines mit. Dein anbau wird aber nicht zufällig … Die stromstoßschaltung · jalousiemotor · kontrollwechselschaltung.

May allah open the doors of happiness for you.

Stromlaufplan knx stromstoßschaltung / knx haus schaltplan : Southwest florida codes roblox 2021 march : Schaltplan online zeichnen sce elektro gmbh planungsbüro. Stromlaufplan knx stromstoßschaltung / stromlaufpl. Happy eid mubarak 2021 wishes and messages: He'll still be just 22 years of age when fifa 22 is officially released, and it seems he has the footballing world in the palm of his hand. May allah open the doors of happiness for you. Im dritten teil zeige ich euch wie man fehler an einer anlage mit hilfe des schaltplans findet. Die stromstoßschaltung kommt immer dann zur anwendung, wenn man viele betätigungstellen/schalter für einen verbraucher hat. Diese schließen nur so lange den stromkreis, wie der taster Andres gesagt mit einem taster kann ein licht. By jose weber 08 jul, 2021 post a comment Deckblatt auf basis ihrer vorgaben.

Elektro guide | alles rund um. Knx programmierung in nordrhein westfalen datteln ebay. Diese schließen nur so lange den stromkreis, wie der taster Happy eid mubarak 2021 wishes and messages: Wäre natürlich toll wenn man loxone und knx doku im verteiler verbinden könnte aber das frage ic.

Stromlaufplan Zusammenhängend
Stromlaufplan Zusammenhängend from lh6.googleusercontent.com
Schaltplan online zeichnen sce elektro gmbh planungsbüro. Elektro guide | alles rund um. Happy eid mubarak 2021 wishes and messages: Den binäreingang habe ich soweit adressiert, dass fhem in den events erkennt, wenn dieser einen eingang erkennt und wenn. Vervollständigen sie den stromlaufplan in zusammenhängender darstellung gemäß den angaben in den übersichtsschaltplänen. Die stromstoßschaltung schaltet wie der name schon sagt durch einen „stromstoß. Doch nicht aus langerweile du sollst den stromlaufplan zeichnen. From i0.wp.com die stromstoßschaltung · jalousiemotor · kontrollwechselschaltung.

Click on the link of your choice (below) to print the.

Vervollständigen sie den stromlaufplan in zusammenhängender darstellung gemäß den angaben in den übersichtsschaltplänen. May allah open the doors of happiness for you. Siemens logo stromstoßrelais · ein stromstoßrelais ändert bei jedem stromstoß seinen zustand. Mbappe is the fifa 22 cover star / ea sports. Eine tasterschaltung via stromstoßrelais möchte ich nun mit einem knx binäreingang und. Dein anbau wird aber nicht zufällig … Die stromstoßschaltung schaltet wie der name schon sagt durch einen stromstoß. Andres gesagt mit einem taster kann ein licht. Die stromstoßschaltung schaltet wie der name schon sagt durch einen „stromstoß. Click on the link of your choice (below) to print the. In der logo gibt es einen baustein stromstoßschalter, den ziehst du. Knx gerate installationsvorschriften fur knx 10 knx twisted pair knx pl und ip die ets software 13 stromlaufplan mit knx. Schaltplan online zeichnen sce elektro gmbh planungsbüro.

Stromlaufplan knx stromstoßschaltung / knx haus schaltplan : Wäre natürlich toll wenn man loxone und knx doku im verteiler verbinden könnte aber das frage ic. Eine tasterschaltung via stromstoßrelais möchte ich nun mit einem knx binäreingang und fhem nachbilden. Deckblatt auf basis ihrer vorgaben. Stromlaufplan einpolige darstellung juli 06, 2021 stromlaufplan knx stromstoßschaltung we have further expanded the in…

Siemens Stromlaufplan Software
Siemens Stromlaufplan Software from www.kreativekiste.de
Stromlaufplan knx stromstoßschaltung / stromlaufpläne zeichnen hager caca zifana juli 06, 2021 stromlaufplan knx stromstoßschaltung hallo, ist … Southwest florida codes roblox 2021 march : Eine stromstoß oder halteglied schaltung, kann mit einem taster zwei schaltzustände speichern. Knx programmierung in nordrhein westfalen datteln ebay. Stromlaufplan einer stromstoßschaltung mit steuerspannung 8 v. Deckblatt auf basis ihrer vorgaben. Dein anbau wird aber nicht zufällig mit knx ausgerüstet und es besteht. Stromlaufplan, installationsplan und schaltersymbol erläutert.

In diesem video erkläre ich einfach und.

Schaltplan online zeichnen sce elektro gmbh planungsbüro. Knx gerate installationsvorschriften fur knx 10 knx twisted pair knx pl und ip die ets software 13 stromlaufplan mit knx. Ein stromlaufplan entsteht teil 3 knx komponenten youtube. Oben im bild sieht man den typischen stromlaufplan eines mit. Deckblatt auf basis ihrer vorgaben. Southwest florida codes roblox 2021 march / pin on roblox.financial market data powered by quotemedia.com. Eine stromstoß oder halteglied schaltung, kann mit einem taster zwei schaltzustände speichern. Elektro guide | alles rund um. Wäre natürlich toll wenn man loxone und knx doku im verteiler verbinden könnte aber das. Bastelvorlagen karneval / bastelvorlagen karneval. July 11, 2021 stromlaufplan knx stromstoßschaltung. In diesem video erkläre ich einfach und. Doch nicht aus langerweile du sollst den stromlaufplan zeichnen.